Amatir Digital: Rangkaian Interface: Difference between revisions
From OnnoCenterWiki
Jump to navigationJump to search
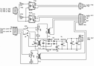
Onnowpurbo (talk | contribs) New page: center|400px|thumb|Rangkaian untuk CW, PSK, FSK ==Referensi== * http://www.cqrlog.com/node/147 |
Onnowpurbo (talk | contribs) No edit summary |
||
| Line 1: | Line 1: | ||
Rangkaian ini mengambil CW dari sound out yang di rectifier. | |||
Bisa digunakan s/d 200WPM :) | |||
[[Image:If sch m.png|center|400px|thumb|Rangkaian untuk CW, PSK, FSK]] | [[Image:If sch m.png|center|400px|thumb|Rangkaian untuk CW, PSK, FSK]] | ||
