WNDW: Nirkabel yang tersambung

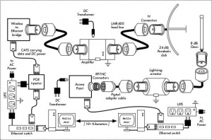
Dengan istilah seperti “wireless”, anda mungkin terkejut dengan berapa banyak kawat dilibatkan dalam membuat sambungan point-to-point sederhana. Sebuah node nirkabel terdiri dari banyak bagian, yang harus dihubungkan satu sama lain dengan kabel yang sesuai. Anda tentunya memerlukan sedikitnya satu komputer yang dihubungkan dengan jaringan Ethernet, dan router atau bridge nirkabel yang dipasang di jaringan yang sama. Bagian radio perlu dihubungkan dengan antena, tetapi suatu waktu mereka mungkin perlu berhubungan dengan amplifier, penangkal petir, atau alat lainnya. Banyak bagian memerlukan daya, baik melalui listrik AC atau memakai trafo DC. Semua bagian ini menggunakan berbagai macam konektor, tidak terlepas dari berbagai jenis tipe kabel dan ketebalannya. Coba kalikan kabel dan konektor tersebut dengan jumlah node yang anda akan gunakan untuk online, dan anda mungkin bertanya-tanya mengapa barang ini dikatakan “wireless”. Diagram berikut akan memberi anda gambaran mengenai jumlah dan tipe kabel yang diperlukan untuk sambungan satu titik ke yang lainnya. Perhatikan bahwa diagram ini tidak berdasarkan skala, juga bukan merupakan pilihan terbaik bentuk jaringan. Namun diagram ini akan memperkenalkan anda banyaknya interkoneksi yang mungkin anda akan temukan di dunia sesungguhnya.
Sementara komponen yang digunakan sesungguhnya dapat berbeda dari satu node ke node lain, setiap instalasi akan menyertakan komponen berikut:
- Komputer atau jaringan yang sudah ada yang tersambung ke Ethernet switch.
- Alat yang menyambungakan jaringan ke peralatan nirkabel (radio router, bridge, atau repeater).
- Antena yang tersambung melalui feed line, atau diintegrasikan ke dalam alat nirkabel itu sendiri.
- komponen listrik yang terdiri dari power supply, regulator, dan penangkal petir.
Pemilihan perangkat keras sebaiknya ditentukan dengan membuat persyaratan untuk proyek, menentukan anggaran, dan mengecek bahwa proyek ini sangat mungkin menggunakan sumber daya yang ada (termasuk menyediakan cadangan dan biaya pemeliharaan). Seperti yang dibicarakan di Bab 1, menentukan scope proyek anda sangat penting sebelum mengambil keputusan untuk membeli perlengkapan.
Pranala Menarik
- WNDW
- Perangkat Keras Jaringan
- Nirkabel yang tersambung
- Memilih bagian nirkabel
- Solusi Komersial vs. DIY
- Perlindungan petir profesional
- Membuat sebuah Akses Point dari PC
- Persyaratan
- Skenario 1: Akses point dengan Masquerading
- Skenario 2: Akses Point Dengan Kemampuan Bridging yang Transparan
- Skenario 1 & 2 cara mudah
- Sistem operasi yang cocok dengan nirkabel
- Linksys WRT54G
- DD-WRT