Amatir Digital: Rangkaian Interface
From OnnoCenterWiki
Jump to navigation
Jump to search
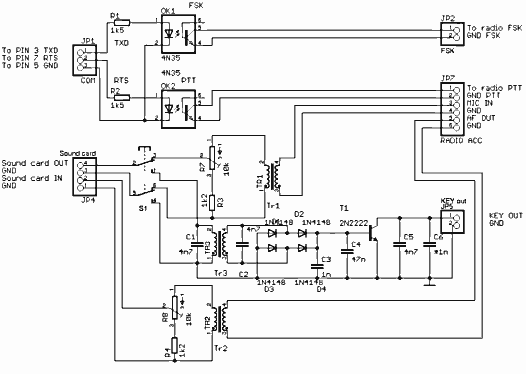
Rangkaian ini mengambil CW dari sound out yang di rectifier. Bisa digunakan s/d 200WPM :)
Rangkaian untuk CW, PSK, FSK
Referensi
http://www.cqrlog.com/node/147
Navigation menu
Page actions
Page
Discussion
Read
View source
History
Page actions
Page
Discussion
More
Tools
Personal tools
Log in
Navigation
Main page
Recent changes
Random page
Help about MediaWiki
Special pages
Search
Tools
What links here
Related changes
Printable version
Permanent link
Page information