Peralatan untuk Komunikasi Data Radio Paket

From OnnoCenterWiki
Jump to navigationJump to search

Pada kesempatan ini akan di jelaskan peralatan yang digunakan oleh sebuah stasiun radio paket. Dimulai dari personal computer (PC) yang bisa dipakai, dilanjutkan ke beberapa jenis modem radio yang ada, dan diakhiri dengan macam-macam pesawat radio komunikasi yang bisa dipakai.


Personal Computer

Peralatan yang jelas-jelas harus ada adalah sebuah Personal Computer (PC). PC berguna untuk menjalankan program aplikasi komunikasi radio paket. Dalam tulisan ini PC dibagi dalam dua kategori, yaitu PC jaman dahulu (kuno) dan PC jaman sekarang. Pembagian ini semata-mata didasarkan pada kemampuan PC tersebut, mana yang dapat kita pakai untuk menjalankan soundcard modem dan mana yang tidak. PC jaman dahulu (486DX2/66 kebawah)

PC seperti ini tidak mampu untuk digunakan dengan soundcard modem dikarenakan prosesor yang dipakai berada dibawah persyaratan minimal prosesor yang dipakai, yaitu setara dengan Intel 486 DX2/66.

Walaupun PC ini tidak dapat digunakan dengan soundcard modem, PC ini tetap dapat dipakai untuk menjalankan aplikasi paket radio dengan menggunakan TNC atau modem BayCom. Perangkat lunak yang digunakan untuk itu umumnya adalah Network Operating System (NOS) yang jalan di DOS.

PC jaman sekarang (486DX2/66 keatas)

PC dengan kualifikasi seperti inilah yang akan dipergunakan untuk menjalankan soundcard modem.


Modem Radio

Seperti halnya komunikasi data / aplikasi Internet yang menggunakan telepon, anda juga membutuhkan sebuah modem dalam aplikasi komunikasi data / Internet. Modem, singkatan dari MODulator-DEModulator, adalah alat yang digunakan untuk melakukan modulasi dari sinyal digital ke analog, kemudian dikembalikan lagi dari sinyal analog ke digital. Alat ini dibutuhkan karena komputer adalah peralatan digital (hanya mengenal 0 dan 1 misalnya dalam bentuk tegangan 0-5 Volt). Sedang peralatan radio dan telepon adalah peralatan analog yang hanya mengenal frekuensi suara saja.

Modem radio memang di rancang khusus untuk disambungkan dengan peralatan radio komunikasi jadi ada sambungan ke Mic, Speaker dan Push-To-Talk (PTT). Modem telepon di rancang khusus untuk komunikasi menggunakan kabel telepon, yang harus mampu memberikan sinyal dial tone dll. Jadi tidak bisa kita menggunakan modem telepon pada jaringan radio – karena memang peralatan fisik-nya memang lain. Berikut ini akan dijelaskan macam-macam modem radio yang akan banyak dipakai pada jaringan paket radio.


Terminal Node Controller (TNC)

Terminal Node Controller (TNC) adalah modem radio yang pertama-tama dipakai untuk paket radio. Seperti diceritakan pada bab sebelumnya, TNC ini dibuat pertama kali pada tahun 1980. Pada saat itu belum ada komputer pribadi yang terjangkau yang mampu mengerjakan aplikasi komunikasi seperti e-mail dan BBS. TNC dibuat sedemikian rupa untuk mengatasi masalah tersebut. TNC dibuat lengkap, mulai dari modulator-demodulator, aplikasi terminal untuk mengakses BBS dan e-mail, dan tempat penyimpanan mailbox.

Pada awal 1990, komputer pribadi yang ada sudah cukup cepat untuk mengerjakan aplikasi komunikasi. Ini membuat fungsi aplikasi dan mailbox yang ada pada TNC menjadi mubazir. Akhirnya dibuatlah satu protokol yang bernama KISS (Keep It Simple Stupid) yang berguna untuk menjadikan TNC hanya bekerja sebagai modulator-demodulator murni, tanpa perlu menjalankan aplikasi-aplikasi lainnya karena aplikasi tadi sudah dijalankan oleh PC. Tampak pada gambar adalah sebuah tampilan sebuah TNC yang dibuat oleh PacComm.


BayCom Modem

Salah satu kelemahan yang dimiliki TNC adalah harga yang cukup mahal berkisar minimal sekitar US$150-an / buah, karena TNC hanya dibuat oleh beberapa pabrik tertentu saja. Di samping prosesor-nya yang umumnya juga sangat sederhana yaitu dariu keluarga Z80.

Pada akhir era 1980an, sekelompok radio amatir Jerman membuat software yang bernama DIGICOM>64 yang berjalan pada komputer Commodore. Software ini mengemulasikan TNC paket 1200 bps dan terminal software pada komputer tadi, dengan hanya membutuhkan modulator-demodulator sederhana untuk menghubungkan komputer dengan radio. Software ini menjadi terkenal di kalangan radio amatir yang ingin berkomunikasi dengan radio paket, namun tidak mampu membeli TNC yang harganya mahal.

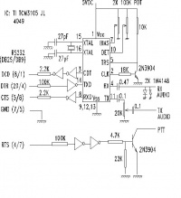
Pengguna IBM PC compatible juga tidak ketinggalan, maka lahirlah BayCom modem. BayCom merupakan modem yang menggunakan PC guna mengemulasikan TNC, dengan hanya menambahkan sebuah modulator-demodulator sederhana BayCom. Pada gambar terlampir tampak rangkaian MODEM BayCom untuk PC yang dimaksud. IC Modem yang digunakan adalah Texas Instrument TCM 3105.

Umumnya rekan-rekan amatir radio menggunakan PC XT / 286 dengan menjalankan Network Operating System (NOS) pada DOS dengan packet driver AX25.COM untuk menjalankan modem BayCom. Perangkat lunak NOS & AX25.COM dapat diperoleh secara gratis dari Internet.


Soundcard modem

Terjadinya krisis moneter di Indonesia tahun 1989 yang lalu mengakibatkan melambungnya harga komponen elektronika – termasuk chip modem Texas Instrument TCM 3105. Hal ini membuat harga pembuatan modem BayCom menjadi melambung. Beberapa orang mulai mencari alternatif lain untuk mendapatkan modem radio dengan harga yang murah. Akhirnya ditemukan suatu alternatif modem radio dengan menggunakan soundcard yang telah ada pada kebanyakan PC yang ada.

Soundcard modem adalah modem radio yang menggunakan kartu suara / soundcard yang ada pada komputer dengan bantuan sebuah software khusus. Soundcard yang tadinya hanya digunakan untuk mendengarkan musik, kini dapat digunakan menjadi modem radio.

Mengapa soundcard ini dapat dipakai sebagai modem radio ? Seperti kita ketahui bahwa clock pada PC jaman sekarang semakin hari semakin cepat. Tingginya kecepatan PC ini menyebabkan proses pengolahan sinyal yang terjadi pada modem kini dapat dikerjakan pada CPU dengan catatan kecepatan prosesor yang dipakai minimal setara dengan Intel 486 DX2/66 MHz. Soundcard hanya berfungsi sebagai pengubah dari sinyal analog ke digital, dan sebaliknya.

Perlu dicatat bahwa dalam satu waktu kita hanya dapat menggunakan soundcard menjadi satu kegunaan saja dalam satu waktu, yaitu menjadi modem radio saja, atau menjadi pemain musik saja. Tidak mungkin sebuah PC kita yang hanya memiliki satu buah soundcard harus diminta sekaligus menjalankan musik sambil menjalankan modem soundcard untuk komunikasi paket radio. Untuk memudahkan penggunaan soundcard modem ini, digunakan hardware profile di Windows95, yang akan dijelaskan pada bab berikut.

Soundcard modem memiliki beberapa keuntungan daripada modem-modem yang lain yang disebutkan terlebih dahulu, yaitu:

  • Mudah didapat
  • Murah harganya
  • Lebih sedikit setup dan konfigurasi dibanding modem yang lain
  • Memiliki dua kecepatan sekaligus (1200 bps dan 9600 bps)

Beberapa tipe soundcard yang telah kami diketahui dapat digunakan sebagai modem radio, yaitu:

  • ESS 1868
  • ESS 868
  • Genius Soundmaker
  • Soundblaster Pro
  • Vibra 16
  • Soundblaster 16
  • Soundblaster 16 PnP
  • AWE 32
  • AWE 64
  • Sound Commander

Pada hari ini, hampir semua motherboard desktop modern telah mempunyai sound card secara built-in. Umum-nya sound card build in tersebut dapat digunakan untuk komunikasi packet radio.


Radio Komunikasi

Untuk mengirimkan informasi ke udara bebas, kita membutuhkan radio komunikasi. Radio ini bukanlah radio penerima biasa yang kita miliki di rumah, namun ia adalah gabungan dari radio pemancar (Transmitter) dan radio penerima (Receiver), sehingga ia sering disebut Radio Transceiver. Contoh radio komunikasi yang ada di sekeliling kita adalah radio transceiver yang banyak digunakan oleh petugas keamanan.

Perlu dicamkan baik-baik bahwa seseorang untuk melakukan komunikasi menggunakan radio di Indonesia maupun di negara-negara lain harus memiliki ijin yang sah dari pemerintah. Bagi perorangan yang ingin melakukan komunikasi radio di Indonesia memiliki dua pilihan yaitu (1) ujian Amatir Radio dan menjadi anggota ORARI dan (2) menjadi anggota RAPI. Ke dua-nya menjadikan sah-nya pembaca menggunakan frekuensi radio di Indonesia.

Pada bagian ini akan ditunjukkan bermacam-macam radio komunikasi yang bisa dipakai untuk komunikasi radio paket.

Handheld Transceiver (HT)

Handheld Transceiver (HT) merupakan jenis radio komunikasi yang harganya paling terjangkau. Dengan bentuk yang kecil dan ringan, radio ini dapat dibawa-bawa kemana-mana dengan mudah. Biasanya radio ini bekerja pada frekuensi 144 MHz, walaupun ada juga yang bekerja di dua frekuensi, yaitu 144 MHz dan 430 MHz. HT biasanya memiliki daya pancar 0,5 Watt sampai dengan 1 Watt.

Untuk menjangkau jarak dalam kota sekitar 5-10 km dapat dilakukan dengan di bantu antenna external (luar). Antenna yagi akan sangat menolong pada jarak agak jauh.

Contoh dalam gambar adalah HT Icom IC-2N yang banyak digunakan dalam komunikasi radio paket. HT Icom IC-2N ini merupakan pesawat radio yang paling terjangkau dan paling mudah diperoleh, baik dalam bentuk baru maupun dalam bentuk bekas / second hand. IC-2N cukup cukup tahan banting dalam kondisi operasi yang cukup buruk.


VHF Mobile Transceiver (Rig VHF)

Rig merupakan sebutan bagi radio yang tidak dapat dibawa-bawa, namun dapat ditempatkan di suatu ruangan atau di mobil. Rig VHF memiliki frekuensi yang sama dengan HT, tetapi yang membedakannya adalah daya pancar yang dimilikinya, yaitu berkisar antara 30 Watt sampai dengan 100 Watt. Daya pancar sebesar ini membuat jarak jangkauan pancar rig ini bisa mencapai 50 km line-of-sight.


HF Mobile Transceiver (Rig HF)

Rig HF bekerja pada frekuensi HF (atau bagi orang awam sering dikenal sebagai SW). Dengan daya 50 Watt sampai dengan 250 Watt, rig ini dapat digunakan untuk berkomunikasi dengan orang yang berada 500 km sampai dengan ribuah km jauhnya dari kita. Masalah utama di frekuensi HF adalah tinggi-nya noise sehingga diperlukan teknik dan kesabaran yang lebih tinggi untuk komunikasi data / internet. Bagi pembaca yang penasaran dapat memonitor frekuensi 7.030 MHz LSB tempat kami mengoperasikan gateway radio paket di HF bagi rekan-rekan amatir seluruh Indonesia.


Antena

Setiap alat komunikasi wireless, seperti TV atau radio harus menggunakan antenna. Antena digunakan untuk melepas sinyal listrik dari radio menjadi medan elektromagnetik ke ruang bebas bila digunakan sebagai antena pemancar, dan sebaliknya bila digunakan sebagai antena penerima.

Untuk komunikasi lokal biasanya digunakan antenna yang bentuknya vertikal. Sedang untuk komunikasi jarak jauh dibutuhkan antenna yang dapat mengarahkan sinyal radio tersebut ke tujuan yang jauh, biasanya digunakan antenna yagi. Tampak pada gambar adalah antenna vertikal yang digunakan pada band VHF.

Pada gambar selanjutnya adalah peralatan antenna yagi di band VHF & UHF di atas tower yang dimiliki oleh Amatir Radio Club ITB. Antenna yagi digunakan untuk komunikasi jarak jauh supaya sinyal radio lebih terarah. Dalam contoh gambar ini, antenna yagi tampak mengarah ke atas (ke langit) karena memang antenna ini digunakan untuk komunikasi data paket radio dengan satelit amatir radio yang mengorbit pada ketinggian 900 km di atas permukaan bumi.




Pranala Menarik